Lightweighting is a trend in many industries, including automotive, logistics, packaging and construction, as it leads to significant cost savings, lower energy consumption and lower carbon emissions.
With the increasing relevance of the eMobility sector, lightweighting places higher demands on molding technology for automotive parts. Haitian has been heavily involved in the automotive industry for many years and understands the limitations of traditional processes. Therefore, the company actively plans to the optimization of parts and the use of new materials by innovating injection molding processes.
Foaming technology:
A high-precision injection molding technology that is mainly used to reduce the weight of products. It significantly improves part deformation and dimensional stability (stress relief during injection) while reducing clamping force.
The technology includes physical foaming and chemical foaming. EIPP is a chemical foaming process in which the surface is foamed after injection and has a low contact temperature with the mold. In contrast, the center has a high temperature, resulting in foam release in the direction of mold cavity expansion, with dimensions controlled to +/- 0.03 mm accuracy based on precise foam expansion control.
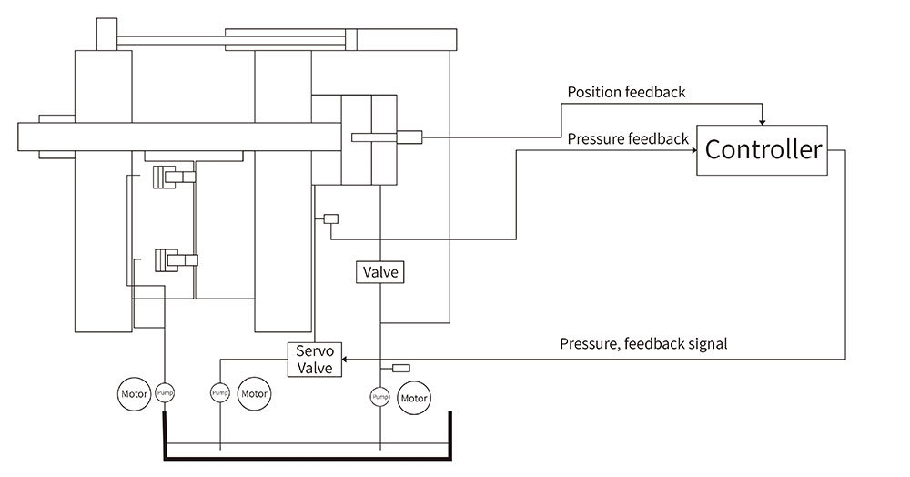
Precision control technology and positioning accuracy:

Closed-loop control system
Advantages of EIPP:
- Quality improvement: higher dimensional stability and improved molding of the housing.
- Cost reduction: Shorter cycles, material savings, optimized part design, longer mold life and reduced machine tonnage.
- Time savings: faster mold validation, optimization of part and mold design.
Currently, this process is widely used in the production of automotive interior parts such as door panels. Lightweight design is a crucial step in the development with the eMobility sector. In response to the ever-changing market trends, Haitian will actively explore new processes, technologies and products to accelerate the application of technological achievements in the field of new energy vehicles and continuously support the automotive industry.